7.1. Monostabile oder astabile Vibratoren history menue Letztmalig dran rumgefummelt: 30.01.08 20:58:47

Monostabil besagt, das diese Schaltungen ausgangsseitig über einen stabilen sowie einen instabilen Zustand verfügen. Monostabile Schaltungen werden vor allem zur Impulserzeugung (synchron oder asynchron) sowie zur Impulsformung (Impuslverbreiterung) genutzt
1. Wirkprinzip
2. Beispiele
3. Schaltungen
4. Verwandte Themen
5. Bauelementeliste

die Elektronikseiten

Logo des MonoFlops

begrenzt verwendbar - selbst aufpassen, ab welcher Stelle es Blödsinn wird ;-)

Wissen für Fortgeschrittene der Informatik

MonoFlops besitzen, genau so wie rohe Eier, eine stabilen Zustand - alle anderen sind instabil.


1. Wirkprinzip history menue scroll up
Monoflops kippen bei Ansteuerung mit einem Eingangsimpuls in die entgegen gesetzte Lage. Da ihr Rückkopplungszweig für Gleichstrom undurchlässig ist, ist diese Lage nicht stabil; sie wird nur während der Haltezeit t0 beibehalten. Typische Kenngröße des Monoflops ist die Haltezeit t0, die durch das (interne oder externe) RC-Glied bestimmt wird. Nach der Haltezeit to kippt das Monoflop in die stabile Ruhelage zurück. 
Vor einem erneuten Ansteuerimpuls muss die Erholzeit tR abgewartet werden, damit sich der Kondensator auf seine Ruhespannung aufladen bzw. entladen kann. Anderenfalls (d. h. wenn der nächste Triggerimpuls in die Erholzeit fällt) verkürzt sich die Haltezeit to b7,-,v. wird vom Abstand der Ansteuerimpulse abhängig.
Das normale Monoflop ist nicht retriggerbar, d. h., innerhalb der Haltezeit t0 eintreffende weitere Ansteuerimpulse sind unwirksam. Die Haltezeit zählt vom ersten Impuls an (genauer von der LH- oder HL-Flanke des ersten Impulses).
Für viele Fälle werden retriggerbare (nachtriggerbare) Monoflops benötigt, bei denen die Haltezeit nicht vom ersten, sondern vom letzten Ansteuerimpuls (einer Impulsserie) zählt. Mit jedem innerhalb t0 eintreffenden Impuls verlängert sich die Haltezeit t0. Bei einem Impulsabstand <= t0 kippt das Monoflop erst nach dem letzten Impuls wieder in seine Ruhelage. Die Schaltkreise 74122/123 enthalten retriggerbare Monoflops.

 
Monostabile Kippstufen eignen sich hervorragend zum Nachweis selbst extrem kurzer Spikes auf der Taktstrecke eines Rechnersystems (z. B. Nulldurchgang eines CTC)
nadelförmige Eingangsimpulse im Nanosekundenbereich können so optisch wahrnehmbar gemacht werden (Impulsfallen)
Integrierte Monoflops sind intern mit Schmitt-Triggern aufgebaut
durch das Halten des Ausgangsimpulses bei wiederholtem Eingangssignalen eigenen sich MonoFlops auch als "prellfreie Schalter" 
Literatur:
  • Kühn Handbuch TTL- und CMOS-Schaltkreise S. 196 ff.


2. Beispielschaltungen history menue scroll up
 

Monoflopschaltung 1 (TTL)

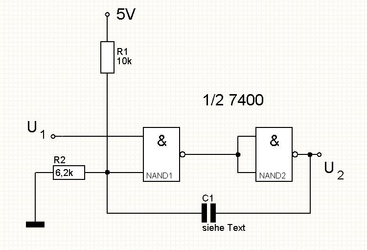
Monoflopschaltung mit 2 NAND-Gattern

Zeitverhalten der Kippstufe

  1. Die Haltezeit to beträgt etwa t0 ~ RC - der Widerstand kann beim Gatter 7400 zwischen 220 Ohm und 1 kOhm gewählt werden.

  2. Auf die Stabilität der Haltezeit hat die Größe des Widerstands R Einfluss. Bei einer Speisespannungsschwankung um ± 6% ändert sich t0 bei R = 220 Ohm um etwa ± 12%, bei R = 1 kOhm um ± 8%.

  3. Die Rückflanke am Ende der Haltezeit hat aufgrund des flachen Spannungsverlaufs am Ende des zweiten Gatters einen Jitterbereich von etwa 1,5% der Haltezeit t0. Für den Ansteuerimpuls gelten die folgenden Zeitbedingungen:

    • 44 ns < tE < t0

    • tR > 2 t0 bei R = 1kOhm

    • tR > 3 t0 bei R = 220 Ohm )

    • tR = Erholzeit.

  4. Ist die Eingangsimpulszeit tE größer als die Haltezeit t0, geht die Steilheit der LH-Flanke am Ausgang A verloren, da die Rückkopplung vom Ausgang A zum Gatter NAND 1 nicht wirksam werden kann. Wird das Ausgangssignal dagegen in der Schaltung nach Bild unten am Ausgang des ersten Gatters abgenommen, bleibt die Flankensteilheit erhalten. Für den Ausgangsimpuls gilt dann

    • tA = t0 (solange tE < t0) oder tA = tE (bei tE > t0)

    • tE Eingangsimpulsbreite; tA Ausgangsimpulsbreite

Monoflopschaltung 2 (TTL)

Erweiterte Monoflopschaltung mit 2 NAND-Gattern

Einfluss der Kapazität C auf die Haltezeit der Kippstufe

  1. Im Unterschied zu Schaltung 1 enthält der Gattereingang noch einen 10-kOhm-Widerstand nach 5 V, der das Potential im Ruhezustand auf 2 V hält. Die Widerstände sind nicht veränderbar; die Haltezeit wird mit der Kapazität gewählt.

  2. Bei Speisespannungsschwankungen ändert sieh t0 entgegengesetzt (kleineres UCC - größere Haltezeit). Eine Spannungsänderung (von UCC) um 6% ergibt eine t0-Änderung von etwa +/- 6%. Der Jitterbereich der Rückflanke am Ende der Haltezeit liegt bei etwa 0,5% der Haltezeit t0. Für den Ansteuerimpuls gelten die folgenden Zeitbedingungen:

    • Eingangsimpulsbreite tE > 44 ns, 

    • Erholzeit tR > t0.

    • Zeitdauer tA des Ausgangsimpulses:

    • tA = t0 (tE < t0)

    • tA = tE (tE > t0).

  3. Auf die Flankensteilheit ist die Länge des Ansteuerimpulses ohne Einfluss. Erfolgt eine Triggerung innerhalb der Erhol- bzw. Rückladezeit tR, so verkürzt sich die Zeitdauer der folgenden Haltezeit.

Monoflopschaltung 3 (TTL)

Erweiterte Monoflopschaltung mit 3 NAND-Gattern und einem Transistor

  1. Die beiden ersten Schaltungen erfordern für große Haltezeiten t0 große Kapazitätswerte. Da Lade- und Entladestrom der Kapazität über den gleichen Widerstand fließen, ist die Erholzeit tR relativ groß und von der Haltezeit to abhängig. (Mit einer zu R parallelgeschalteten Diode mit Serienwiderstand lässt sich tR verkürzen.) Der zugeschaltete Transistor vergrößert die Haltezeit etwa um den Faktor der Stromverstärkung.

  2. Die Haltezeit wird bestimmt durch die Zeitkonstante R$C, die Erholzeit durch die Zeitkonstante RWC. Für RB gilt:


IC Strom durch RC bei leitendem Transistor, Bmin Mindestverstärkung des Transistors (Großsignal), UCC Speisespannung (5 V).Richtwerte: RC = 10 kOhm, Rw > 330 S2, RB < 1 MOhm

Monoflopschaltung 4 (TTL) (Bild 11.4)
  1. Bei diesem Monoflopschaltkreis haben Temperatur und Speisespannung nur sehr geringen Einfluss auf die Haltezeit to. Angesteuert wird mit einer HL-Flanke an einem der B-Eingänge oder mit einer LH-Flanke am A-Eingang.
  2. Mit R = 1,4...40 kOhm und C = 10 pF...1000 iF kann die Haltezeit gemäß to = 0,7 RC bzw. nach Bild 11.4c gewählt werden. Über Pin 9 kann für weniger genaue Haltezeiten auch der interne Widerstand von 2 kü benutzt werden.
  3. Für längere Haltezeiten > 0,1 s sind große Kapazitätswerte erforderlich, die sich schwerer und weniger genau realisieren lassen. In diesen Fällen wird oft ein Transistor benutzt, mit dem sich Widerstand und Haltezeit um den Faktor der Stromverstärkung vergrößern lassen. (Im Bild 11.4b gilt dann t0 = 0,7 CBR; B =Stromverstärkung.) Der dadurch wirksame vergrößerte Widerstand sollte aber 1 MQ nicht überschreiten [57].

Monoflopschaltung 5 (CMOS) (Bild 11.5)

  1. Es wird das gleiche Schaltungsprinzip wie im Bild 11.1 benutzt. Die Dioden begrenzen die Eingangsspannung auf den für CMOS-Eingänge zulässigen Bereich.
  2. Gatter mit Schmitt-Trigger-Eingang zu verwenden ist für größere Zeitkonstanten (die Kondensatorumladungen sind für die CMOS-Eingänge Impulsflanken) immer die sicherste Lösung. Bei Haltezeiten t0 > 1...10 t.s sollte, soweit keine Monoflopschaltkreise eingesetzt werden, das RC-Glied immer an einem Schmitt-Trigger-Eingang liegen.
Das Formularfenster stellt das zentrale visuelle Entwicklungstool von Delphi dar.
Das Formular wird uns als ein erstes Objekt begegnen, das sich durch typische Eigenschaften wie Höhe, Breite, Position, Farbe, Aufschrift (Caption) u. a. auszeichnet.
Andererseits ist das Formular aber vor allem Träger von Steuerelementen wie z.B. Buttons, Eingabefenster, Ausgabefenster, Menüs usw.


3. Schaltungen im Einsatz history menue scroll up
Für den Praktiker spielen Monoflops aus mehreren Gründen eine ganz entscheidende Rolle. Zum einen Können Impulse einstellbarer sowie genau definierter Länge einmalig, jedoch auch mit festlegbarem Abstand generiert werden.

Zeitschalter auch für Batterie-Betrieb

4.5.4. Zeitschalter für Belichtungsuhren und allgemeine Zwecke Für Dunkelkammer-Belichtungsuhren und vergleichbare Zwecke ermöglicht die TTL-Technik Zeitschalter nach ähnlichen Prinzipien wie mit Einzeltransistoren ([ 1 ]). Bild 4.112 zeigt einen derartigen Aufbau. Er ist jedoch nur in Verbindung mit anderen TTL-Baugruppen ökonomisch sinnvoll, weil z. B. eine vergleichbare Schaltung nur mit Transistoren weniger Aufwand für die Speisestromversorgung und weniger Bauelemente benötigt. Die Schaltung nach Bild 4.112 eignet sich auch nicht für extrem lange Zeiten (mit 1000 µF für den zeitbestimmenden Kondensator für maximal etwa.100 s). Deshalb sollte der Amateur prüfen, ob die Schaltung mit MOS-IS (Abschnitt 3.2.2.) oder Varianten mit diskreten MOSFET ([1], [9]) günstiger sind. Der Zeitschalter nach Bild 4.112 ist ein Monoflop (siehe auch Bild 4.6 und Bild 4.7). Ein HL-Übergang am Ausgang D1 startet ihn. Das Differenzierglied 470 pF, 22 kΩ bewirkt, dass der Monoflop bei kurz eingestellter Zeit auch dann zurückschaltet, wenn die Starttaste S2 noch gedrückt ist. Ein Kontaktprellschutz wäre nicht unbedingt erforderlich. Man könnte D1, D2 weglassen, den Kondensator 470 pF über etwa 5 kΩ nach + US legen und zwischen den Kondensator und Masse S2 direkt anschließen. Die in einer IS D 100 ohnehin vorhandenen restlichen 2 Gatter wurden aber für diesen Zweck mitbenutzt. Wenn die punktiert gezeichnete Verbindung D2, D4 vorgesehen ist, lässt sich bei Bedarf eine zusätzliche Funktion erreichen. In diesem Fall wird beim Loslassen von S2 der Zeitablauf sofort beendet, Relais K1 (das nach Schließen von S2 anzieht und nach der mit S1 und R1 gewählten Zeit wieder abfällt) bleibt mit dieser Ergänzung nur angezogen, solange S2 noch gedrückt ist. Auch eine gesonderte Taste für vorzeitigen Zeitabbruch ist möglich. Sie wäre zwischen den zweiten Eingang des Gatters D4 und Masse zu schalten. Die Relaisbetriebsspannung entspricht dem jeweils vorhandenen Relais (Daten von V2 auch danach wählen!). V1 soll ein Germanium-pnp-Typ mit ß 200 sein. Sonst lässt sich Rl nur mit 50kΩ bemessen, und es ergeben sich für alle Zeiten doppelt große C-Werte. Mit R1= 100 kS1. sind für Cl ... C3 etwa 10 µF je Sekunde anzusetzen. Mit S1 stellt man den Zeitbereich grob und mit R1 fein ein. R1 kann mit Stoppuhr in Sekunden kalibriert werden. Bild 4.113 zeigt eine vereinfachte Ausführung nach diesem Prinzip, die speziell für Batteriebetrieb (z. B. an Taschenlampenbatterie) geeignet ist. Sie ist auf minimalen Aufwand ausgelegt. Der Ausgang der IS D 140 steuert direkt das Relais. Für Starttaste S1 sind keine besonderen Vorkehrungen erforderlich. Für Cl und R 1 sowie V 1 gilt das bei Bild 4.112 Gesagte. Mit Cl = 5000 µF lassen sich verringerte Störimpulssicherheit. Man wählt t„Z deshalb so, dass sie nur wenig kleiner ist als die für tE verfügbare Impulsdauer. Ist z. B. Auslösen mit Handtaste vorgesehen, so liegt tE nicht wesentlich unter 0,1 s. Die Verzögerungszeit t„2 soll hierfür nicht niedriger als 0,05 s gewählt werden, womit die Haltezeit tH entsprechend höher (0,3 s oder mehr in diesem Beispiel) liegt. Einen möglichen Einsatz als Zeitschalter, den man universell verwenden kann, zeigt Bild 4.44 (Belichtungsuhr, Treppenlichtautomat usw.). In das in Bild 4.44 mit »Zeitschalter« bezeichnete Detail ist die vollständige Schaltung nach Bild 4.43 einzusetzen. Dargestellt wird nur noch die Ein- und Ausgabe der Signale. Um mit einer einfachen Auslösetaste mit Arbeitskontakt auszukommen, benutzt man einen Hilfstransistor V2, der bei offener Taste durchgesteuert ist und somit Eingang E (der Schaltung nach Bild 4.44) auf L-Pegel hält. Beim Schließen von S sperrt V2, geht nach H, und der Zeitschalter ist gestartet, wobei die Schließzeit von S länger als tH sein darf. Die Basisbeschaltung mit 1 kΩund 0,1 µF an V2 schützt nur noch den Transistor selbst gegen stärkere Störspannungsspitzen auf der Schalterzuleitung, wie sie z. B. bei längeren, in Nähe von Netzleitungen verlaufenden Zuleitungen vorkommen können (z. B. im Treppenlichtschalter). Für die Haltezeitdauer geht Ausgang A nach L-Pegel, womit Transistor V3 öffnet und damit das Relais anzieht. Da das Relais mit aus der TTL-Betriebsspannung +5 V gespeist wird, ist ein Typ für 4,..5 V (z. B. 4 V, 88 SZ) zu verwenden. Stärkere Relais lassen sich über einen weiteren (punktiert angedeutet) Transistor V4 schalten (Typ SF 126... SF 128 oder stärkere npn-Silizium-Typen). Hiermit sind dann auch
   

4. Verwandte Themen history menue scroll up
Kippstufen in der einen oder anderen Form sind Basisbestandteil der Informationstechnik und insbesondere, wenn es gilt, Digitalsignale definiert zu steuern. Monostabile FlipFlop-Stufen sind die Mutter aller Taktgeneratoren, bilden quasi die Basis der Arbeit aller algorithmisch gesteuerten Geräte und Anlagen. Das fängt bei Deiner Spielekonsole an und hört bei Deinem Handy auf - von GPS oder Mainframes reden wir an dieser Stelle gar nicht - aber Du ahnst etwas.

RS-FlipFlop

D-FlipFlop sowie D-Latches

JK-Master-Slave-FF

Fangregister

   
     

5. Bauelemente-Listen history menue scroll up
Klasse Bauelemente-Typ Funktion

74 - ; 74 LS; 47 HCT

74121 6-fach Negator
74 - ; 74 LS; 47 HCT 74122 6-fach Schmitt-Trigger Negator
4000-er Serie (CMOS) 74123 6-fach Negator
4000-er Serie (CMOS) 4041 4-fach Negator/Treiber
4000-er Serie (CMOS) 4069 6-fach Negator
4000-er Serie (CMOS) 40106 6-fach Schmitt-Trigger Negator

elektrische Bauelemente-Übersicht NOT-Gates in verschiedenen Technologien



zur Hauptseite
© Samuel-von-Pufendorf-Gymnasium Flöha © Frank Rost im März 1998

... dieser Text wurde nach den Regeln irgendeiner Rechtschreibreform verfasst - ich hab' irgendwann einmal beschlossen, an diesem Zirkus nicht mehr teilzunehemn ;-)

„Dieses Land braucht eine Steuerreform, dieses Land braucht eine Rentenreform - wir schreiben Schiffahrt mit drei „f“!“

Diddi Hallervorden, dt. Komiker und Kabarettist

Diese Seite wurde ohne Zusatz irgendwelcher Konversationsstoffe erstellt ;-)