8-Richtungs-Orientierungsboje

 

1. Aufgabe


Meine Aufgabe in 12/II war es, eine Orientierungsboje zu bauen, welche per PIC-Microkontroller gesteuert und zusätzlich zu folgender Anleitung, eine Tag/Nacht Ein- und Ausschaltsteuerung besitzt.

Folgende Anleitung war mir gegeben:

Wie Bild unten andeutet, sind 4 Lampen El ... e4 vorhanden, die durch 2 gekreuzte Trennwände (Kreisradius bei den Mustergeräten: 35 cm) gegeneinander abgedeckt sind. El wird nach Norden ausgerichtet. Die im Gewässer (ähnlich einem kleinen »Leuchtturm.«) verankerte, in Bild 1 in Draufsicht gezeigte Boje erblickt der Betrachter seitlich, zunächst sei, vereinfacht angenommen, dass jeweils nur eine Lampe aufleuchtet, und zwar (beginnend mit El, dann e2, e3, e4 und wieder El usw.) für jeweils eine Sekunde. Ein im Sektor 1 befindlicher Betrachter sieht somit 1 s Licht, 3 s Dunkelheit, wieder 1 s Licht usw. Blickt man aus einer zwisehenrichtung z. B. aus Nordost auf die Kante der Trennwand, so ist in einem gewissen, durch die Lampenabstände von der Trennwand einstellbaren Sektor sowohl El als auch e2 erkennbar. Aus einiger Entfernung sind die Lampen nicht zu unterscheiden. Ein Beobachter sieht im Zwischensektor (bei NO und NW schraffiert angedeutet) jeweils 2 s Licht, 2 s Dunkelheit. Damit sind zunächst 8 Sektoren erreichbar. Es ist nun erforderlich, diese Sektoren unterscheiden zu können. Das ermöglicht ein eingefügter Kennimpuls, der aus 3-maligern kurzem Aufleuchten (für 0,5 s Dauer) aller 4 Lampen zugleich besteht. Er ist demzufolge gleichzeitig aus allen Richtungen zu erkennen. Eine Hell-Dunkel-Periode entspricht 1 s. Der Rhythmus übermittelt dem Beobachter auch den »Takt« für das folgende Auszählen. Nach dem dritten Kennimpuls setzt der beschriebene Umlauf, beginnend mit El, ein. Hiernach folgen wieder 3 Kennimpulse, dann erneuter Umlauf mit 1 s Leuchtzeit je Sektor usw. Der Beobachter wartet lediglich die Kennimpulse ab und zählt ab diesen die Sekunden aus, bis er den (längeren) Sektorenlichtimpuls wahrnimmt, ist das sofort nach der Kennung der Fall, so kann es sich nur um El handeln, d. h., der Beobachter befindet sich nördlich der Boje. Sieht der Beobachter nach den 3 Kennimpulsen zunächst 2 s Dunkelheit, dann 1 s Licht und wieder 1 s Dunkelheit (danach folgen die nächsten 3 Kennimpulse), so sieht er E3 und steht somit, südlich der Boje. Falls er 2 s Dunkelheit, danach jedoch 2 s Licht sieht, befindet er sich im Sektor 34, d. h. südwestlich. Diese Signalisierungsform hat sich als sehr einprägsam und leicht »lesbar« erwiesen, da sich ein Sekundenintervall ohne Hilfsmittel gut durch Mitzählen erfassen lässt und der 3-fache Kennimpulstakt eine zusätzliche Rhythmushilfe ergibt. Zur optischen Wirkung sei erwähnt, dass Versuchsmuster bereits mit Lampen 12 v/0,1 a oder 6,3 v/0,'3 a (und mit Silberbronze aufgehellten Trennwänden, wobei nur die inneren z/s der Trennwandlänge reflektierend, das äußerste Drittel dunkel gefärbt wird) selbst in leicht diesigen Nächten über mindestens 1...2 km ausreichen« zu erkennen sind.

Außerdem war folgende Skizze gegeben:

 

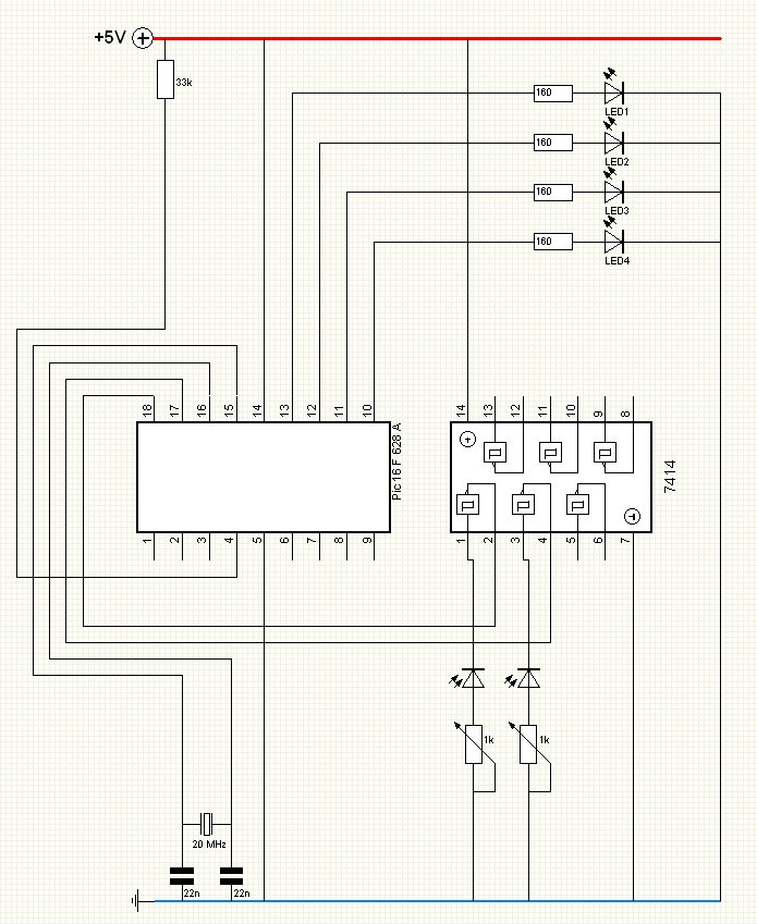
2.Software


Als erstes mache ich mir Gedanken über die Umsetzung der elektrischen Schaltung und das zugehörige Programm für den Mircrokontroller. Ich verwendete einen PIC- 16F628A der TTL-Baustein 7114 fungiert mit seiner Eigenschaft als Schmitt-Trigger und wandelt das analoge Signal der Fotowiderstandes in ein Digitales, welches der Microkontroller verarbeiten kann.

Daraus entstand folgender Schaltplan:

Download als .spl-Datei

und das dazugehörige Programm:

-Screenshot:

Download

 

3.Hardware


Bei der Hardware mussten besondere Kriterien erfüllt werden 1.wasserdicht  2.standfest und langlebig. Nach einiger Überlangung entschloss ich mich zu einem Doppelmuff aus HT-Rohr, der an beiden enden per passendem Blindstopfen verschlossen wird. In dem oberen Stopfen sägte ich ein Kreuz und Bohrte 4 Löcher für die LEDs dann baute ich ein Passenes Aluminiumkreuz aus Aluminiumblech und einen Deckel aus Aliminium. somit konnte die notwendige Dichtigkeit und Standfestigkeit erreicht werden.

Hier der Prototyp aus 40mm-HT-Rohr:

Bei dem Fertigmodell Wurde zusätzlich ein Lichtwiderstand eingebaut um die Tag/Nacht Steuerung zu realisieren, aufgrund des Mehrvolumens wurde ein 50mm HT-Rohr verwendet. Außerdem Superhelle 3mm LEDs.

Derzeit ist die funktionierende Boje im Glaskasten Am Lehrerzimmer/Sekreteriat zu sehen.